


Light industrial
1 606 м2
Стоимость
273 276 960
С учетом НДС
лот
6
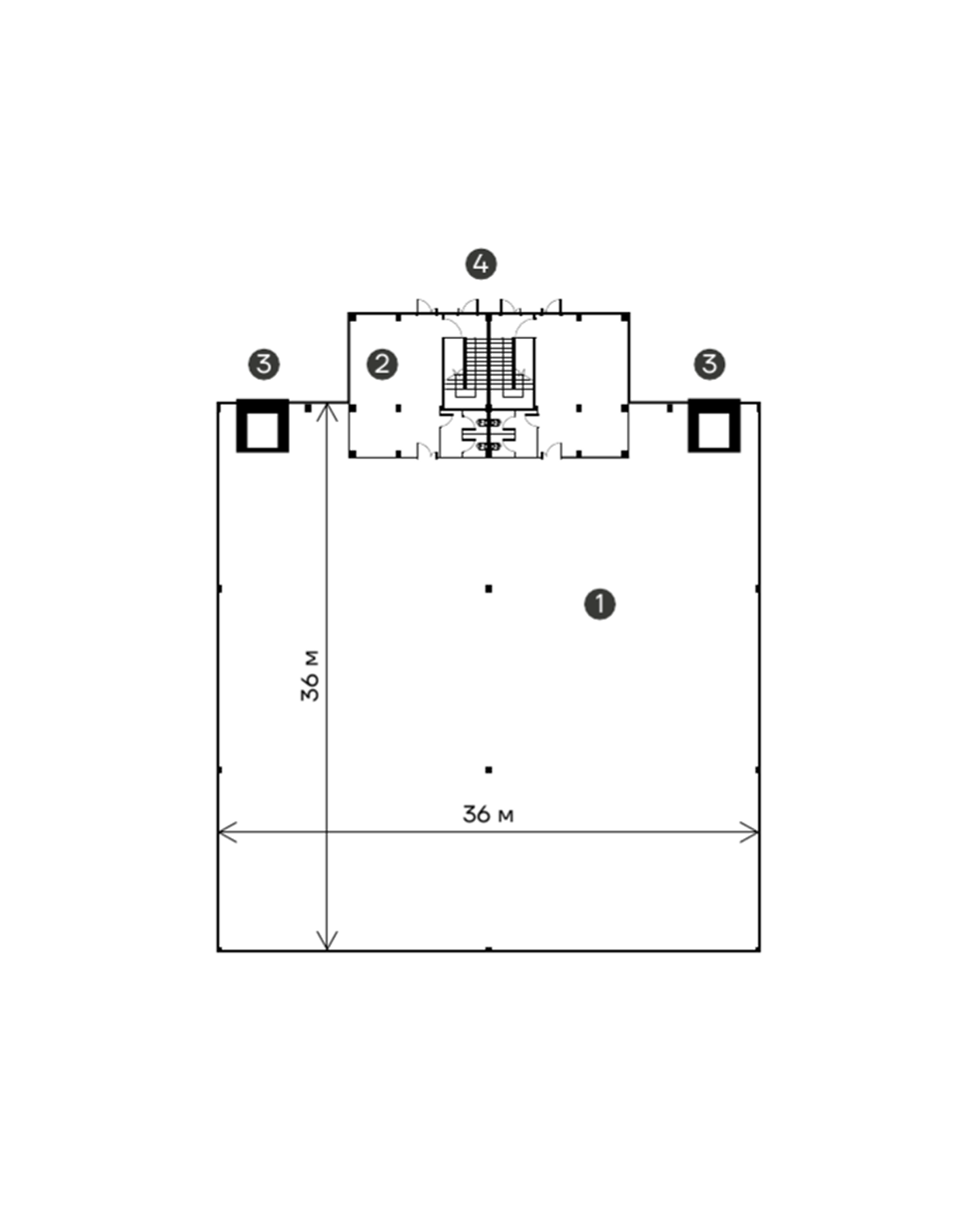
Общая площадь
1606 м2
Производственно складская пл
1250 м2
Торгово-офисная пл
299 м2
Рабочая высота
8 м
Нагрузка на пол
5 т/м2
ЗДАНИЕ К
1 Производственно-складское помещение
2 Офис – 1 и 2 этаж
3 Погрузочные доки
4 Индивидуальные входы


